Por rokuso3
Existen muchas maneras de tener un mando propio para nuestro MSX, como realizando nuestro propio joystick desde cero, incluyendo la placa. No obstante, es posible que queramos o bien reciclar componentes que ya tenemos (como un mando que ya no utilicemos) o, simplemente, comprar lo más barato posible para tener un mando extra. Hemos desgranado todo el proceso, desde el funcionamiento básico del mando de MSX y si pinout, hasta el proceso de soldadura y posterior montaje.
Antes de empezar: ¿cómo funciona un mando de MSX?
Es posible lanzarse al montaje, pero entender realmente lo que hay detrás nos ayudará mucho a la hora de emprender este proyecto, que nos permitirá modificar cualquier mando clónico que nos interese. El estándar MSX empezó usando el joystick Tipo A, en el que únicamente había un botón aparte de las direcciones. El siguiente esquema, sacado de msx.org, nos puede ayudar a entenderlo:

Lo que podemos extraer de esto son una serie de normas lógicas que nos ayudarán a entender mejor nuestro pad:
– Todas las conexiones están abiertas y es al cerrarlas, pulsando el botón, que se conectan los puntos y se genera ese input. Nuestros botones no tienen una conexión gradual (analógica), sino que únicamente tienen dos estados: on/off (digital).
– Cada botón tiene su propio cable y pin individual, y nosotros lo que hacemos es poner un interruptor entre estas dos conexiones.
– No hay conexión GND (tierra).
– Todos los botones hacen contacto con el Output. Si usásemos como común la conexión de Ground/0v funcionaría también. No obstante, esto rompería la compatibilidad con todos los sistemas cuyo pinout es 100% compatible con MSX, por lo que es preferible evitarlo.


Por otro lado, tanto los 5v como Ground muchas veces no se utilizan en los cables de conexión tipo D9, el estándar que utilizan MSX, X68000, etc. Es por ello que estas conexiones se suelen reservar para chips, leds, etc., pero no son necesarias para el funcionamiento de un mando normal. Nosotros vamos a hacer un joystick tipo B, para tener dos botones y por tanto mayor compatibilidad.
Es bastante conocido que hay varios sistemas que utilizan el mismo conector que el mando de MSX, el D9. No obstante, aunque la salida parezca idéntica, el pinout de cables interno es distinto y, por tanto, conectar un mando que no corresponda puede dañar permanentemente el equipo al que lo conectemos.
Para evitar este tipo de situaciones lo óptimo sería hacer un uso adecuado de los mandos y los equipos. No obstante, como todos tenemos muchos mandos en casa y no sabemos dónde pueden llegar a acabar, nos hemos lanzado a realizar de paso el diseño mejorado del joystick tipo B, que propone poner una resistencia de 470 ohm en el Trigger B para no dañar los ordenadores si se conectase accidentalmente. Esto no es obligatorio para su funcionamiento, y NO los hace compatibles con dichos equipos, solo es para reducir la posibilidad de quemar el dispositivo en caso de conectarlo por error. En cualquier caso, recomendamos marcar el mando de alguna manera, para no confundirlo con los de otros sistemas.
Existen varios diseños para el mando tipo B, que podemos consultar aquí. Al verificar los pines en su esquema, vemos que en el del diseño mejorado, aparece el pin 8 como GND (tierra) y no como 8-Output, como en el diseño original del joystick tipo B. Tal y como explicábamos en el paso anterior, este diseño sí funcionaría, pero insistimos en que para tener un 100% de compatibilidad y mantener la resistencia trabajaremos con el siguiente diseño, que es diferente a todos los que hay en msx.org:

Entendiendo esto, a grandes rasgos podemos hacer un mando de MSX modificando cualquier placa/mando que ya exista, siempre que tenga suficientes pines y botones: lo que necesitamos es revisar las conexiones con un multímetro para entender qué función hace cada pin en la placa que utilicemos, y anotarlo para realizar correctamente el montaje de cables.
En estos casos, lo que necesitamos es simplemente tocar con el multímetro el interior del pin para verificar las conexiones e ir anotándolas. Dado que no llegará por su pequeño diámetro, podemos pelar un cable por dos lados, enrollarlo alrededor de una de las puntas del multímetro, y con la otra punta del cable tocar el interior del pin que queremos verificar, como se ve en la siguiente imagen. Mientras tanto, con la otra punta del multímetro tocaríamos los puntos para ver si hay conexión:

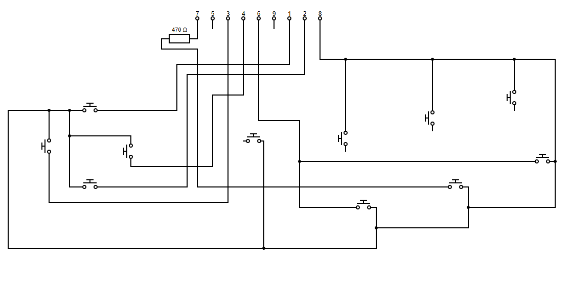
Trasladando estos conocimientos sobre cómo queremos que quede al mando de Mega Drive clónico que queremos modificar, nuestro pinout de cables debería quedar así finalmente. Nótese que 5 y 9 no hacen ningún contacto por no ser necesarios, y 8 es el output que hace contacto con todos los pines:

¿Cómo aplicamos esta teoría a una placa real? Vamos a verlo.
Materiales para el proyecto:
- Mando de Megadrive genérico
- Cables
- Soldador
- Estaño
- Flux
- Resistencia 470 ohms (opcional)
Más allá de cables, soldador, estaño, y flux, así como la resistencia de 470 ohm en caso de querer ponerla (es totalmente optativa) está claro que necesitaremos una placa, caja, y botones: nuestro mando donante va a ser un mando falso de Mega Drive que hemos comprado para la ocasión. Nosotros vamos a trabajar con este:

Hay una versión en blanco también disponible en aliexpress, pero en ese consideramos que los materiales eran de bastante peor calidad y, de hecho, en el que nos llegó uno de los cables de los pines no funcionaba de serie, por lo que era necesario sustituirlo con un cable nuevo y por tanto trabajar bastante más, mientras que con este todos los que hemos comprado nos han servido. El mando utilizado tiene escrito “16-bit” en la carcasa, pero hay otros que en fotografías se ven prácticamente iguales solo que sin este letrero, cuya calidad de botones nos ha parecido muy mala. Vigilad el modelo.
La placa que utilizamos en este tutorial aparece marcada como SB-162, con la etiqueta 12.6.1. Es posible que otros mandos similares utilicen la misma placa, pero lo suyo es que miréis las conexiones con vuestro propio multímetro, por si las conexiones no fueran idénticas: es mejor que lo comprobéis y no quemar nada antes que lanzaros a seguir este tutorial sin mirar.
Manos a la obra
Dado que nuestro mando tiene seis botones y el de MSX tipo B tiene solo dos, vamos a ignorar los tres botones de arriba y vamos simplemente a utilizar los tres de abajo como A B A.
El mando de Mega Drive utiliza un chip que, en este caso, está dentro del círculo de resina epoxy negra que se ve en la foto. Para cargárnoslo, podemos simplemente cortar las pistas a su alrededor, o lijarlo directamente para tener más hueco para pasar cables y cerrar el mando después. Os dejamos fotos de ambos ejemplos:

Al cortar las pistas nos estamos cargando todas las conexiones y, al ser una PCB de una sola capa, podemos perforarla tranquilamente para pasar cables por detrás. Más allá de la estética, este mando tiene poco hueco entre botones, un problema que hemos notado haciéndolo por primera vez. Así que para no afectar a su funcionamiento, recomendamos hacerle agujeros y hacer todo el montaje por atrás:

Estos agujeros los podéis realizar con una multiherramienta tipo Dremel (su herramienta estándar de taladro es demasiado grande, así que nosotros hemos usado la de grabar en madera), un taladro pequeño, un tornavís eléctrico… utilizad la herramienta que tengáis a mano y, si no tenéis ninguna, es más por estética y comodidad dado que los puentes serán válidos igual y utilizaremos estos agujeros solo para pasar los cables. No afectan en nada al funcionamiento del dispositivo.
Estañar
Antes de hacer las conexiones, debemos estañar bien los puntos que vamos a soldar, dado que esto es una placa que modificamos, y no una comercial preparada para la soldadura through-hole. En este caso, lo que hacemos es:
- Poner flux en los puntos que querremos soldar.
- Una vez aplicado el flux, calentamos estos puntos con el soldador, y dejamos caer el estaño.
- Probablemente caerá demasiada cantidad, por lo que podemos calentar nuevamente el estaño ya aplicado y dar un golpecito con la PCB contra la mesa para quitar el exceso, dejándonos un resultado final similar a este que podemos ver en los tres botones de abajo a través de la lupa:
Ante cualquier duda de soldadura, estaño, técnica… el tutorial general de MSXmakers para empezar a soldar es la guía a la que os podéis dirigir.
Aplicaremos este procedimiento a los siete botones que necesitamos soldar, sin pisar la parte de los botones de la PCB, para que no afecte al pulsar los botones una vez montado el mando.
Montaje y cableado
Ya con todos los puntos estañados, es el momento de montar los cables en sí. Por nuestra parte, hemos asignado los siguientes colores para distinguirlos con mayor facilidad a la hora de montarlos, pero no son relevantes para el funcionamiento. Os indicamos los colores que hemos usado, para seguir con mayor facilidad las fotos y el tutorial:
UP – Lila
DOWN – Verde
LEFT – Naranja
RIGHT – Azul
TRIGGER A – Blanco
TRIGGER B – Amarillo
Nosotros hemos hecho un agujero grande en el sitio del chip para poder puentear los cables desde la parte frontal sin que nos ocupen tanto espacio, para poder cerrar el mando con facilidad. Hemos cortado cada cable de unos 15-20 centímetros (probablemente podéis trabajar con mucho menos, pero preferimos ir a lo seguro y cortar luego el sobrante). Antes de montar nada, es el momento de asegurarnos de que nuestro cable pasa por los agujeritos que hemos preparado previamente. Con el cable ya pasado, hemos pelado el lado más cercano a nuestro botón, y lo hemos soldado al botón correspondiente. El otro extremo del cable lo hemos pasado por el agujero grande, para seguir el montaje por la parte frontal.
En el caso del [7- TRIGGER B], hemos aprovechado para montar la resistencia de 470 ohm en la parte frontal del mando y conectar directamente, para acabar protegiéndola con tubo termorretráctil. Los tres puntos marcados en negro en la foto (5- VCC, 9- GND y 8- OUTPUT), no necesitamos tocarlos.
Es perfectamente posible quitar todo el estaño de los puntos del 1 al 9 para pasar los cables a través de sus agujeros y soldar todo nuevamente, pero nos ha parecido un trabajo excesivo teniendo en cuenta que los cables del otro lado son muy pequeños y que además van unidos con cola a la placa, por lo que simplemente hemos optado por soldar nuestros cables encima. Para poder soldar los cables es posible que necesitemos sujetarlos a la vez que estaño y soldador, por lo que con cinta aislante podemos fijar los cables para trabajar y luego retirarla al terminar.
Dado que para el Trigger A hemos de puentear los botones A y C de Megadrive, nos lanzamos por hacerlo ya en la parte de atrás del mando, para que en el momento de soldar el [5- TRIGGER A], únicamente sea un solo cable y evitar malos contactos con los otros. Por lo tanto, hemos unido los dos cables con un tercero, calentando al mismo tiempo los tres, y hemos dejado caer el estaño para tapar posteriormente con tubo termorretráctil o con cinta aislante, para evitar cualquier contacto indebido, tal y como se explica en este vídeo. Este sería el resultado:
Antes de conectar al MSX, es necesario que limpiemos las soldaduras con alcohol isopropílico y revisemos nuevamente las conexiones, para ver que no haya contactos indeseados que puedan interferir, por lo que sacaremos nuevamente el multímetro para hacer todas las comprobaciones pertinentes.
Con esto, ya tendríamos el mando, que aun así no acababa de ajustar del todo el cierre, por lo que finalmente hemos optado por cortar un poco del plástico interno de su carcasa. No afecta ni a su estética ni a su rendimiento, así que nos ha parecido la solución más sencilla para evitar una presión indeseada en los cables.
En caso de no poder o no querer perforar la placa, es perfectamente posible montarlo todo por delante, como se ve en la siguiente imagen:
No obstante, no lo recomendamos: por más que queramos que el montaje quede ordenado, hemos acabado con un montón de cables que rozaban con los botones de dirección y de Start, así como en la parte inferior del pad para poder cerrarlo. No es imposible, así que en caso de no poder perforar la placa por algún motivo, es también una opción, aunque por nuestra experiencia si usáis este método recomendaríamos los cables más pequeños posibles que podáis soldar.
Y con esto, ya tenemos terminado el mando. ¿Fácil, no? Esperamos que este tutorial os anime a fabricar vuestro propio pad y, sobre todo, que os ayude a entender el funcionamiento del mando de MSX para que os animéis a emprender vuestros propios proyectos del tema. Cualquier duda, ¡estamos en los comentarios!

rokuso3, Noviembre de 2024




Gracias por el tutorial!
Con otros mandos de Megadrive me ha pasado que el contacto de la cruceta no es muy bueno. Si a alguien le pasa, a veces se soluciona simplemente limpiando con isopropílico. Y si no, pegar un trocito de aluminio sobre el contacto, que le da una continuidad mucho mejor.
Me gustaMe gusta